Features:
Size 50mm to 200mm Semi Lugged Table E
Body UV Stabalised PVC
Seat EPDM or FKM
Disc PVC
Pressure 10 BAR
Actuation Double Acting Pneumatic
UV Stabalised PVC double acting pneumatically operated butterfly valve with optional EPDM or FKM seats. Great for use in corrosive media such as salt water or some chemical applications. Semi lugged to Table E.
*Change the E to a V for FKM.

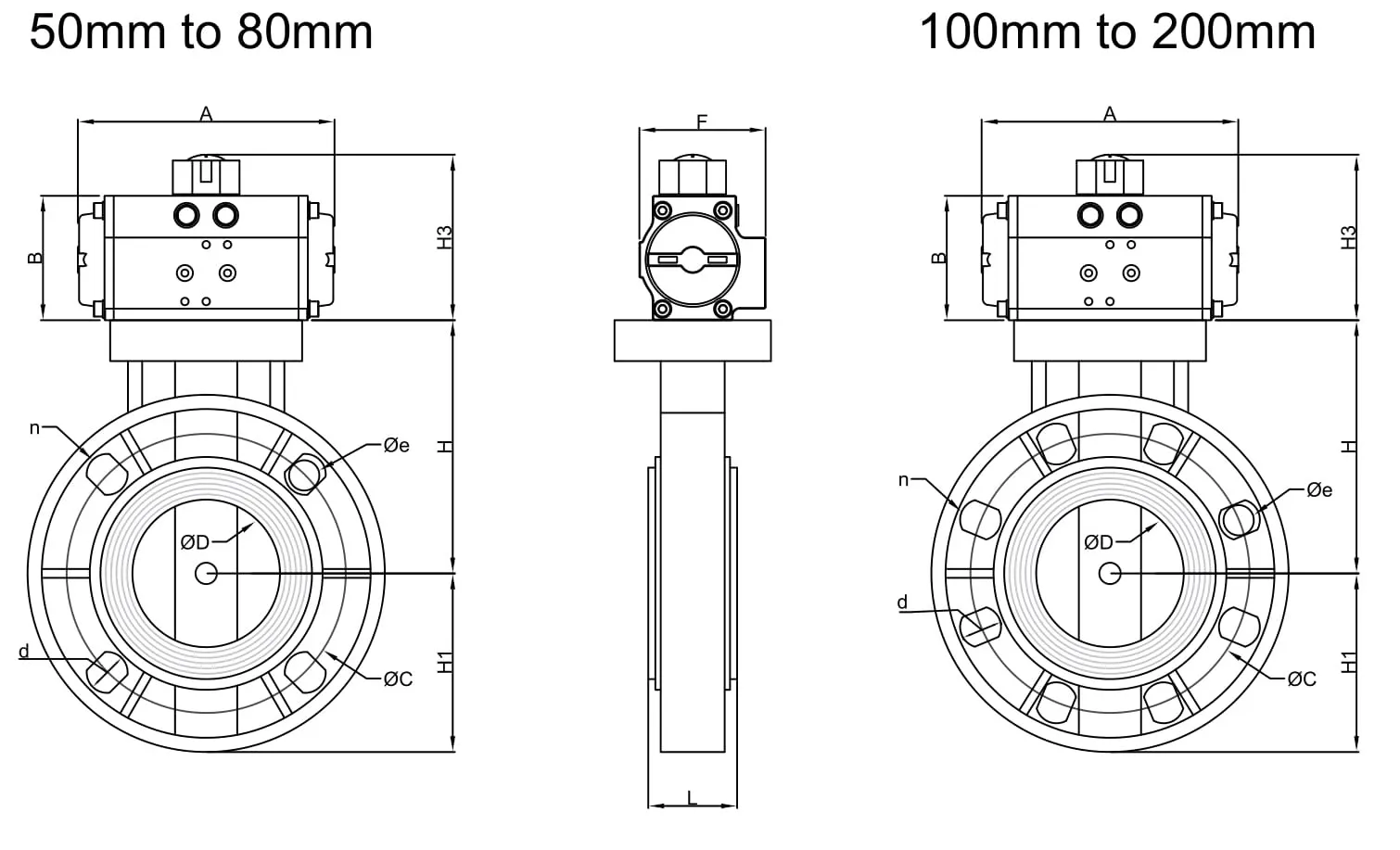
| Size | Actuator | H1 | H | C | L | n | e | D | d | A | B | H3 | F |
|---|---|---|---|---|---|---|---|---|---|---|---|---|---|
| 50mm | DA50 | 79 | 99 | 123 | 45 | 4 | 20 | 54 | 25 | 138 | 70 | 90 | 71 |
| 65mm | DA50 | 90 | 108 | 143 | 48 | 4 | 21 | 67 | 27 | 138 | 70 | 90 | 71 |
| 80mm | DA63 | 96 | 126 | 157 | 52 | 4 | 21 | 83 | 24 | 162 | 81 | 101 | 80.4 |
| 100mm | DA63 | 110 | 139 | 186 | 57 | 8 | 21 | 101 | 30 | 162 | 81 | 101 | 80.4 |
| 125mm | DA75 | 127 | 169 | 213 | 65 | 8 | 24 | 127 | 28 | 208 | 97 | 117 | 94.5 |
| 150mm | DA88 | 145 | 182 | 240 | 72 | 8 | 24 | 152 | 29 | 245 | 116 | 136 | 109 |
| 200mm | DA100 | 172 | 225 | 296 | 90 | 8 | 24 | 200 | 30 | 266 | 122 | 142 | 123 |
All dimensions in mm unless shown otherwise
Size 50mm to 200mm Semi Lugged Table E
Body UV Stabalised PVC
Seat EPDM or FKM
Disc PVC
Pressure 10 BAR
Actuation Double Acting Pneumatic
What is a Double Acting PVC Butterfly Valve?
A double acting pneumatic UPVC butterfly valve has a UV stabalised PVC body, disc and either an EPDM or FKM seat. It has a direct mounted anodised aluminium rack and pinion actuator fixed to the valve which conducts its 90 degree turn (open/close). The valve body sits like a 'wafer' between the flanges where the bolts will pass through the guide holes in the body of the valve and to a flange on each side which will hold the valve in place. The valve design is a center line which refers to the location of the disc and shaft in relation to the body (there are other kinds of butterfly valves such as double & triple offset) where it is precisely in the middle. The actuator has a namur interface and position indicator.
How does a PVC Double Acting Pneumatic Butterfly Valve work?
A butterfly valve works by the shaft rotating 90 degrees which will take the position of the disc in the flow from open to close (or vice versa). When it is closed a seal will be formed between the disc and the seat effectively stopping the flow of the media. When it is opened again the disc comes away from the seat and when it is fully open sits side (smallest surface area facing) on to the direction of the upstream flow. This 90 degree turn is conducted by a double acting rack & pinion actuator which is connected to a shaft which in turn is mated to the disc by a spline. When the actuator is operated by a 5/2 valve (all double acting actuators need a 5/2 valve to operate, the most common we see is a 5/2 direct interfacing namur solenoid valve) the shaft will be rotated effectively turning the disc, switching it to its other state (either open or close). Extras such as limit switch boxes and positioners can also be mounted directly to the actuator.
How long will my Double Acting PVC Butterfly Valve last?
Like any valve this depends upon the usage case of your butterfly valve, its environment, media and how many times it is cycled. For instance if it is on a clean wet media, in a clean environment and not cycled regularly the life will be decades. If it is on a corrosive media and in a dry application with a high cycle rate the life will be much shorter. We conduct regular lab testing and 6,000 cycles is a reasonable life cycle depending upon the application. The actuators life will depend upon how clean and dry the supply air is (the air that makes the actuator operate) however we regularly test these to over 800,000 cycles. Install a basic air filter if you are not sure about the quality of your air, we have pneumatic actuators that have been in operation for decades. The most common failure we see is due to dirty wet air being sent to the actuator.
How do I install a Double Acting Pneumatic PVC Butterfly Valve?
These wafer butterfly valves are designed to clamp between two flanges. The bolts will pass through from one flange to the other through the guide holes in the body of the valve to give the clamping force on the valve and keep it in position. The seat of the valve also forms the gasket on the flanges so there is no need for a secondary gasket. The bolts should be tightened in a diagonal shape to avoid over tightening in one area. For a full list of instructions please visit our butterfly valve installation & maintenance guide. The double acting actuator can accommodate a namur solenoid valve which is a very popular configuration (the 5/2 control valve bolts directly onto the actuator with an o-ring face seal on the back of the valve) or just a stand alone 5/2 valve. If you are using a stand alone 5/2 valve the air lines will need to be run from here into the ports on the actuator (remember the longer the run the slower the operation unless you use quick exhaust valves near the actuator).
What are typical uses of a Double Acting PVC Butterfly Valve?
As the valve is made out of PVC they are commonly used in water treatment, aquaculture and any other application where PVC is needed. One main advantage of butterfly valves is they are relatively cheap compared to their size if you are comparing to another valve type (eg. ball valve). Being double acting they are not used in fail safe applications where you need the valve to fail to a particular positon (open or close) if you lose air, this would best be served by a spring return unit.
How long will my product take to get to me?
This depends upon where you are based and the freight method chosen. If the express freight option is selected it is usually next day delivery to metropolitan areas in Australia for under 5kg. If free freight has been selected it will go by road freight which can be anywhere from 1 to 10 days depending upon your location. It usually averages 3 days.
What warranty do I get?
All of our products come standard with a 12 month warranty. The good news is we have very strict quality controls and all valves leave our warehouse tested (full material and testing certificates to API 598 are available) and inspected so there are rarely any issues. Also once your valve is in and operating it will most likely continue to do so for a very long time.
Size 50mm to 200mm Semi Lugged Table E
Body UV Stabalised PVC
Seat EPDM or FKM
Disc PVC
Pressure 10 BAR
Actuation Double Acting Pneumatic
UV Stabalised PVC double acting pneumatically operated butterfly valve with optional EPDM or FKM seats. Great for use in corrosive media such as salt water or some chemical applications. Semi lugged to Table E.
*Change the E to a V for FKM.

| Size | Actuator | H1 | H | C | L | n | e | D | d | A | B | H3 | F |
|---|---|---|---|---|---|---|---|---|---|---|---|---|---|
| 50mm | DA50 | 79 | 99 | 123 | 45 | 4 | 20 | 54 | 25 | 138 | 70 | 90 | 71 |
| 65mm | DA50 | 90 | 108 | 143 | 48 | 4 | 21 | 67 | 27 | 138 | 70 | 90 | 71 |
| 80mm | DA63 | 96 | 126 | 157 | 52 | 4 | 21 | 83 | 24 | 162 | 81 | 101 | 80.4 |
| 100mm | DA63 | 110 | 139 | 186 | 57 | 8 | 21 | 101 | 30 | 162 | 81 | 101 | 80.4 |
| 125mm | DA75 | 127 | 169 | 213 | 65 | 8 | 24 | 127 | 28 | 208 | 97 | 117 | 94.5 |
| 150mm | DA88 | 145 | 182 | 240 | 72 | 8 | 24 | 152 | 29 | 245 | 116 | 136 | 109 |
| 200mm | DA100 | 172 | 225 | 296 | 90 | 8 | 24 | 200 | 30 | 266 | 122 | 142 | 123 |
All dimensions in mm unless shown otherwise