Features:
Size 1/2" to 2" BSP
Function Normally Open (power to close)
Valve Operation Servo Assisted
Body 316 Stainless Steel
Seat EPDM
Pressure Range 0.3 to 16 BAR
Media Potable Water
A 316 Stainless Steel Normally Open (power to close) Watermark approved solenoid valve. Great for potable water or any application where watermark approval is required (mains water in Australia). Comes with IP65 weather proof LED illuminated din plug and coil. Has a low pressure differential required making it suitable for applications such as rain water switch over and features a soft close design. Watermark Approval Licence Number WMK 26321 approved to WMTS 030:2016 - Solenoid Valves.
*Voltages available; 12vDC, 24vDC, 24vAC, 110vAC, 240vAC, 415vAC
For Installation and Maintenance instructions please click here or find in our References section under Valve Installation and Maintenance for Solenoid Valves.


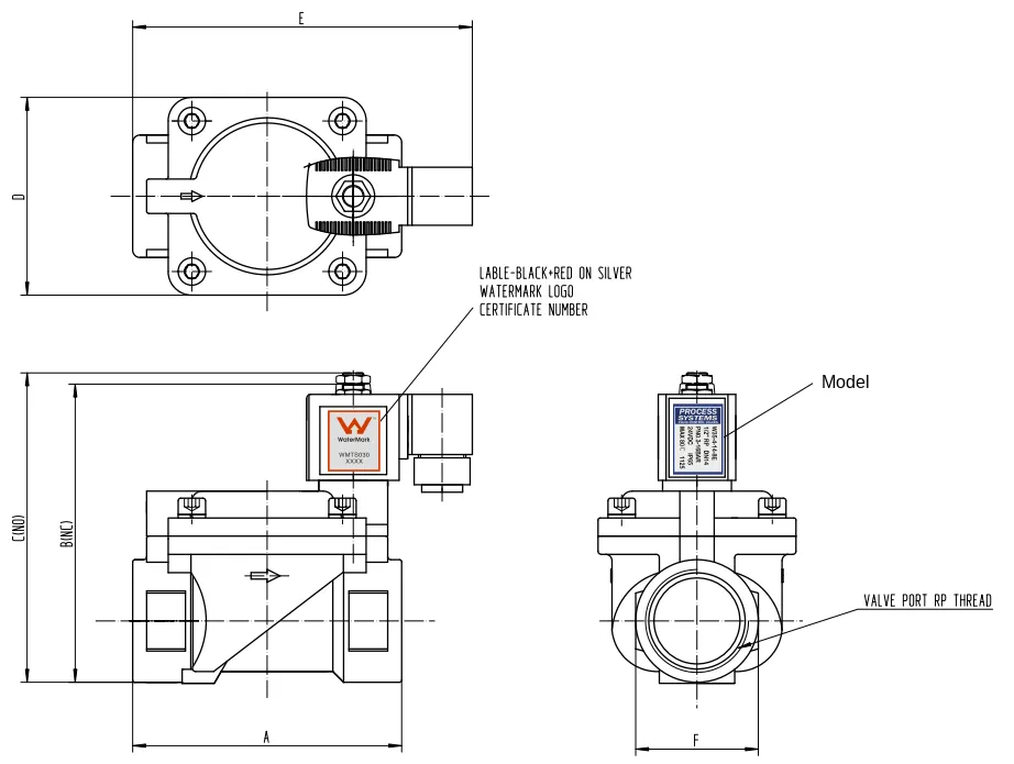
| Moddel | Port Size (Rp) | Orrifice | A | C | D | E | F |
|---|---|---|---|---|---|---|---|
| W36-4-14-*E | 1/2 | 14 | 65 | 107.5 | 40 | 104 | 27 |
| W36-5-20-*E | 3/4 | 20 | 92 | 125 | 60 | 129 | 40 |
| W36-6-25-*E | 1 | 25 | 92 | 125 | 60 | 129 | 40 |
| W36-7-40-*E | 1 ¼ | 40 | 125 | 147.5 | 92 | 158 | 57 |
| W36-8-40-*E | 1 ½ | 40 | 125 | 147.5 | 92 | 158 | 57 |
| W36-9-50-*E | 2 | 50 | 150 | 165 | 108.5 | 179 | 70 |
All dimensions in mm unless shown otherwise.
Size 1/2" to 2" BSP
Function Normally Open (power to close)
Valve Operation Servo Assisted
Body 316 Stainless Steel
Seat EPDM
Pressure Range 0.3 to 16 BAR
Media Potable Water
What is a Watermark Normally Open Differential Solenoid Valve?
This Watermark Differential Solenoid Valve is a valve whose body is constructed of 316 Stainless Steel and needs a differential pressure to operate (a certain minimum of pressure differential between the inlet and outlet). It is approved for potable water applications (drinking water) but will work across a wide range of media. It utilizes an EPDM diaphragm which is a great all round material but can't take elevated temperatures (above 80°C). This covers a wide range of applications and is a very commonly used Stainless Steel Solenoid Valve. It is approved, tested and certified to the Watermark Standard and complies with the lead free requirements of the National Construction Code Volume 3.
How does a Normally Open Watermark Approved Solenoid Valve work?
Solenoid valves can broadly be put into two categories; zero differential and differential. This relates to whether they need a differential pressure to operate. This Watermark Stainless Steel Solenoid Valve does need a differential pressure to operate which means it needs a minimum pressure drop across the valve to work. This is sometimes called servo assisted. Its basic principle is the relation between a bleed on and bleed off hole on top of the diaphragm. In its resting state which is normally open (no power to the valve) the bleed off hole is open so the pressure can escape off the top of the diaphragm faster than it can come on therefore leaving the valve open and allowing flow through the valve (as long as the minimum differential pressure is present). When the valve is powered on, an electromagnetic field created by the windings in the coil pushes the armature onto the seat therefore closing the bleed off hole and not allowing pressure to escape off the top of the diaphragm. This build up in pressur on top of the diaphragm closes it onto the seat and does not allow any flow through the valve. The reverse happens when power is taken away from the valve.
How do I know that a Stainless Steel Watermark Normally Open Solenoid Valve is the right valve for me?
The first thing to check is whether you want a Normally Closed (power to open) or Normally Open (power to close) solenoid valve. This valve is Normally Open which is the less common of the two types. The next thing to check is whether you have enough differential pressure in your system. This is usually satisfied if it is on mains water or downstream of a pump (or something else that creates enough differential pressure). From here you will need to check the operating pressure and temperature of your system as well as the media type and make sure that the valve can handle these. From here you also need to check the port size of your valve and the voltage of your system. If the valve can satisfy all of the above then you should be a long way to getting the correct one (other items such as the external environment and where it is located can also influence the valve selection).
How long will my Watermark Normally Open Differential Solenoid Valve last?
Like any valve this depends upon the usage case, duty cycle and external environment of the valve. The pressure, temperature and characteristics of the media (eg. is it corrosive, clean etc) will have a large bearing on how long your valve lasts. If your valve is cycling every second, 24 hours a day (ours are 100% duty rated which means they can do this as long as the heat can be dissipated) then its life will be shorter than one which is used once a day. The electrical supply to your coil can also determine the valve's life as voltage spikes can short the coils (the same as any electrical equipment). This is a robust 316 Stainless Steel Solenoid Valve so it can withstand a harsh environment and still operate uninterrupted.
What are typical uses of a Watermark Normally Open Solenoid Valve ?
By far the biggest share of usage cases we see for the Solenoid Valve is on potable water or other compatible media such as compressed air. It does however have a wide range of other uses that it is suited as long as they have a differential pressure (this will rule out low head applications such as tank drain). The media for a solenoid valve must always be clean as well as any suspended solids can block the holes in the diaphragm so this rules out applications such as recycled water (unless it is filtered). As the body is 316 Stainless Steel and the diaphragm is EPDM this valve is commonly used on caustic and in areas that have caustic washdown such as in the food industry.
How do I install my Watermark Normally Open Solenoid Valve?
This Solenoid Valve must be installed with the correct direction of flow. On the side of the valve there is an arrow indicating the direction of flow, this must be followed otherwise the valve will not work. It can however be installed on any orientation (eg vertical or horizontal). As the ends of this valve are female BSP threaded a male nipple will be screwed into this, thread tape or sealant will need to be used to achieve a bubble tight seal. Make sure when you wire the DIN Plug that it is facing down with a sufficient drip loop on your lead so water will not run down and into this which will cause it to fail. These watermark solenoid valves fully comply with both the watermark standards and the lead free requirements of the national construction code volume 3.
How long will my product take to get to me?
This depends upon where you are based and the freight method chosen. If the express freight option is selected it is usually next day delivery to metropolitan areas in Australia for under 5kg. If free freight has been selected it will go by road freight which can be anywhere from 1 to 10 days depending upon your location. It usually averages 3 days. You can rely on us to do everything to despatch your order the same day we receive it, this is what we do.
What warranty do I get?
We have been manufacturing Solenoid Valves for over 30 years so we have a lot of experience at making a great valve. All of our products come standard with a 12 month warranty. The good news is we have very strict quality controls and all solenoid valves leave our warehouse tested (full material and testing certificates are available) and inspected so there are rarely any issues. Also once your valve is in and operating it will most likely continue to do so for a very long time barring any debris getting caught in the valve or power spikes causing the coil to fail. Due to this valve been Watermark Approved it is audited annually by an independant third party which gives more assurance.
Size 1/2" to 2" BSP
Function Normally Open (power to close)
Valve Operation Servo Assisted
Body 316 Stainless Steel
Seat EPDM
Pressure Range 0.3 to 16 BAR
Media Potable Water
A 316 Stainless Steel Normally Open (power to close) Watermark approved solenoid valve. Great for potable water or any application where watermark approval is required (mains water in Australia). Comes with IP65 weather proof LED illuminated din plug and coil. Has a low pressure differential required making it suitable for applications such as rain water switch over and features a soft close design. Watermark Approval Licence Number WMK 26321 approved to WMTS 030:2016 - Solenoid Valves.
*Voltages available; 12vDC, 24vDC, 24vAC, 110vAC, 240vAC, 415vAC
For Installation and Maintenance instructions please click here or find in our References section under Valve Installation and Maintenance for Solenoid Valves.


| Moddel | Port Size (Rp) | Orrifice | A | C | D | E | F |
|---|---|---|---|---|---|---|---|
| W36-4-14-*E | 1/2 | 14 | 65 | 107.5 | 40 | 104 | 27 |
| W36-5-20-*E | 3/4 | 20 | 92 | 125 | 60 | 129 | 40 |
| W36-6-25-*E | 1 | 25 | 92 | 125 | 60 | 129 | 40 |
| W36-7-40-*E | 1 ¼ | 40 | 125 | 147.5 | 92 | 158 | 57 |
| W36-8-40-*E | 1 ½ | 40 | 125 | 147.5 | 92 | 158 | 57 |
| W36-9-50-*E | 2 | 50 | 150 | 165 | 108.5 | 179 | 70 |
All dimensions in mm unless shown otherwise.