Features:
Size 15mm to 200mm
Body 316 Stainless Steel
Seat Stainless Steel
Pressure Range 0 to 40 BAR
Temperature -20°Cto 220°C
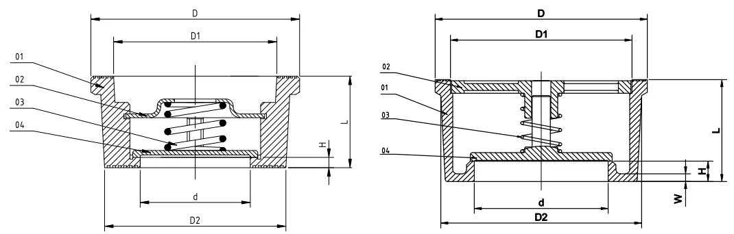
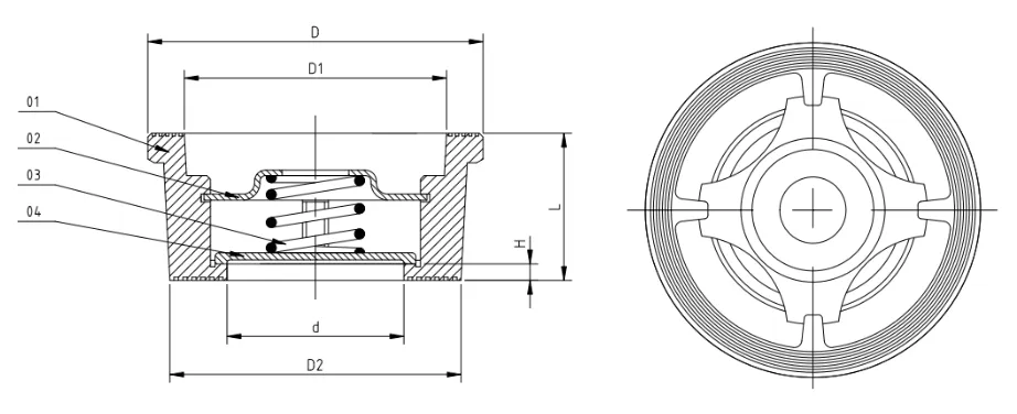
316 Stainless Steel Inline Wafer Single Disc Check Valve. Wafer design to suit ANSI 150/300, DIN PN16/25/40 & Table H (will also fit Table D & E in some sizes, see dimensions tab for flange compatibility). Face to face in accordance with DIN3202-K4. Spring loading allows this check valve to be installed on any angle.
Model | Size (mm) | Media Pressure | Media Temperature | Cracking Pressure (mBar) | Cv |
---|---|---|---|---|---|
SDC-15 | 15 | 0 to 40 BAR | -20°C to 220°C | 23 | 5.1 |
SDC-20 | 20 | 0 to 40 BAR | -20°C to 220°C | 23 | 7.9 |
SDC-25 | 25 | 0 to 40 BAR | -20°C to 220°C | 23 | 11.7 |
SDC-32 | 32 | 0 to 40 BAR | -20°C to 220°C | 24 | 19.8 |
SDC-40 | 40 | 0 to 40 BAR | -20°C to 220°C | 25 | 30.3 |
SDC-50 | 50 | 0 to 40 BAR | -20°C to 220°C | 25 | 50.2 |
SDC-65 | 65 | 0 to 40 BAR | -20°C to 220°C | 26 | 87.5 |
SDC-80 | 80 | 0 to 40 BAR | -20°C to 220°C | 26 | 130.7 |
SDC-100 | 100 | 0 to 40 BAR | -20°C to 220°C | 27 | 200.7 |
SDC-125 | 125 | 0 to 40 BAR | -20°C to 220°C | 36 | 295.3 |
SDC-150 | 150 | 0 to 40 BAR | -20°C to 220°C | 36 | 421.3 |
SDC-200 | 200 | 0 to 40 BAR | -20°C to 220°C | 40 | 597.5 |
DN | Size | d | D | D1 | D2 | L | H | kgs |
---|---|---|---|---|---|---|---|---|
15 | 1/2" | 15 | 39 | 28.5 | 32 | 16 | 3 | 0.10 |
20 | 3/4" | 20 | 46 | 36.2 | 40 | 19 | 3 | 0.14 |
25 | 1" | 25 | 54 | 43.3 | 46 | 21 | 3 | 0.20 |
32 | 1-1/4" | 32 | 70 | 56 | 60 | 27 | 3.5 | 0.36 |
40 | 1-1/2" | 40 | 83 | 68.5 | 72 | 31 | 3.5 | 0.51 |
50 | 2" | 49 | 96 | 80.5 | 84 | 40 | 4 | 0.78 |
65 | 2-1/2" | 62 | 115 | 99 | 103 | 46 | 5 | 1.24 |
80 | 3" | 75 | 135 | 117 | 123 | 50 | 5 | 1.92 |
100 | 4" | 85 | 153 | 135 | 140 | 60 | 6 | 2.62 |
DN | Size | d | D | D1 | D2 | L | H | W | kgs |
---|---|---|---|---|---|---|---|---|---|
125 | 5" | 118 | 187 | 160 | 177 | 90 | 18 | 6.8 | 5.5 |
150 | 6" | 140 | 217 | 187 | 205 | 106 | 23 | 7.2 | 8.3 |
200 | 8" | 185 | 267 | 240 | 261 | 140 | 32 | 8 | 16.1 |
All dimensions in mm unless shown otherwise.
Suitable Flanges (Black will fit, Red will not), showing innner diameter of bolt hole
SDC | Outer Diameter | DIN | ANSI | AU | |||||
---|---|---|---|---|---|---|---|---|---|
PN10 | PN16 | PN25 | PN40 | 150Lb | 300Lb | Table D | Table E | ||
DN15 | 39 | 51 | 51 | 51 | 51 | 45.5 | 51.5 | 53 | 53 |
DN20 | 46 | 61 | 61 | 61 | 61 | 55 | 63.5 | 59 | 59 |
DN25 | 54 | 71 | 71 | 71 | 71 | 64.5 | 70 | 69 | 69 |
DN32 | 70 | 82 | 82 | 82 | 82 | 74 | 79.5 | 73 | 73 |
DN40 | 83 | 92 | 92 | 92 | 92 | 83.5 | 92.5 | 84 | 84 |
DN50 | 96 | 107 | 107 | 107 | 107 | 101.5 | 108 | 96 | 96 |
DN65 | 115 | 127 | 127 | 127 | 127 | 120.5 | 127 | 109 | 109 |
DN80 | 135 | 142 | 142 | 142 | 142 | 133.5* | 146.5 | 128 | 128 |
DN100 | 153 | 162 | 162 | 168 | 168 | 171.5 | 178 | 160 | 160 |
DN125 | 187 | 192 | 192 | 194 | 194 | 194 | 213 | 192 | 192 |
DN150 | 217 | 218 | 218 | 224 | 224 | 219.5 | 248 | 217 | 213 |
DN200 | 274 | 273 | 273 | 284 | 290 | 276.5 | 305 | 274 | 270 |
*Bolts will fit on DN80 ANSI 150. Bolt hole size is 19mm and bolt size is 16mm
Item | Part | Material | QTY |
---|---|---|---|
1 | Body | CF8M | 1 |
2 | Spring Cover | SS316 | 1 |
3 | Spring | SS316 | 1 |
4 | Disc | CF8M | 1 |
Size 15mm to 200mm
Body 316 Stainless Steel
Seat Stainless Steel
Pressure Range 0 to 40 BAR
Temperature -20°Cto 220°C
Size 15mm to 200mm
Body 316 Stainless Steel
Seat Stainless Steel
Pressure Range 0 to 40 BAR
Temperature -20°Cto 220°C
316 Stainless Steel Inline Wafer Single Disc Check Valve. Wafer design to suit ANSI 150/300, DIN PN16/25/40 & Table H (will also fit Table D & E in some sizes, see dimensions tab for flange compatibility). Face to face in accordance with DIN3202-K4. Spring loading allows this check valve to be installed on any angle.
Model | Size (mm) | Media Pressure | Media Temperature | Cracking Pressure (mBar) | Cv |
---|---|---|---|---|---|
SDC-15 | 15 | 0 to 40 BAR | -20°C to 220°C | 23 | 5.1 |
SDC-20 | 20 | 0 to 40 BAR | -20°C to 220°C | 23 | 7.9 |
SDC-25 | 25 | 0 to 40 BAR | -20°C to 220°C | 23 | 11.7 |
SDC-32 | 32 | 0 to 40 BAR | -20°C to 220°C | 24 | 19.8 |
SDC-40 | 40 | 0 to 40 BAR | -20°C to 220°C | 25 | 30.3 |
SDC-50 | 50 | 0 to 40 BAR | -20°C to 220°C | 25 | 50.2 |
SDC-65 | 65 | 0 to 40 BAR | -20°C to 220°C | 26 | 87.5 |
SDC-80 | 80 | 0 to 40 BAR | -20°C to 220°C | 26 | 130.7 |
SDC-100 | 100 | 0 to 40 BAR | -20°C to 220°C | 27 | 200.7 |
SDC-125 | 125 | 0 to 40 BAR | -20°C to 220°C | 36 | 295.3 |
SDC-150 | 150 | 0 to 40 BAR | -20°C to 220°C | 36 | 421.3 |
SDC-200 | 200 | 0 to 40 BAR | -20°C to 220°C | 40 | 597.5 |
DN | Size | d | D | D1 | D2 | L | H | kgs |
---|---|---|---|---|---|---|---|---|
15 | 1/2" | 15 | 39 | 28.5 | 32 | 16 | 3 | 0.10 |
20 | 3/4" | 20 | 46 | 36.2 | 40 | 19 | 3 | 0.14 |
25 | 1" | 25 | 54 | 43.3 | 46 | 21 | 3 | 0.20 |
32 | 1-1/4" | 32 | 70 | 56 | 60 | 27 | 3.5 | 0.36 |
40 | 1-1/2" | 40 | 83 | 68.5 | 72 | 31 | 3.5 | 0.51 |
50 | 2" | 49 | 96 | 80.5 | 84 | 40 | 4 | 0.78 |
65 | 2-1/2" | 62 | 115 | 99 | 103 | 46 | 5 | 1.24 |
80 | 3" | 75 | 135 | 117 | 123 | 50 | 5 | 1.92 |
100 | 4" | 85 | 153 | 135 | 140 | 60 | 6 | 2.62 |
DN | Size | d | D | D1 | D2 | L | H | W | kgs |
---|---|---|---|---|---|---|---|---|---|
125 | 5" | 118 | 187 | 160 | 177 | 90 | 18 | 6.8 | 5.5 |
150 | 6" | 140 | 217 | 187 | 205 | 106 | 23 | 7.2 | 8.3 |
200 | 8" | 185 | 267 | 240 | 261 | 140 | 32 | 8 | 16.1 |
All dimensions in mm unless shown otherwise.
Suitable Flanges (Black will fit, Red will not), showing innner diameter of bolt hole
SDC | Outer Diameter | DIN | ANSI | AU | |||||
---|---|---|---|---|---|---|---|---|---|
PN10 | PN16 | PN25 | PN40 | 150Lb | 300Lb | Table D | Table E | ||
DN15 | 39 | 51 | 51 | 51 | 51 | 45.5 | 51.5 | 53 | 53 |
DN20 | 46 | 61 | 61 | 61 | 61 | 55 | 63.5 | 59 | 59 |
DN25 | 54 | 71 | 71 | 71 | 71 | 64.5 | 70 | 69 | 69 |
DN32 | 70 | 82 | 82 | 82 | 82 | 74 | 79.5 | 73 | 73 |
DN40 | 83 | 92 | 92 | 92 | 92 | 83.5 | 92.5 | 84 | 84 |
DN50 | 96 | 107 | 107 | 107 | 107 | 101.5 | 108 | 96 | 96 |
DN65 | 115 | 127 | 127 | 127 | 127 | 120.5 | 127 | 109 | 109 |
DN80 | 135 | 142 | 142 | 142 | 142 | 133.5* | 146.5 | 128 | 128 |
DN100 | 153 | 162 | 162 | 168 | 168 | 171.5 | 178 | 160 | 160 |
DN125 | 187 | 192 | 192 | 194 | 194 | 194 | 213 | 192 | 192 |
DN150 | 217 | 218 | 218 | 224 | 224 | 219.5 | 248 | 217 | 213 |
DN200 | 274 | 273 | 273 | 284 | 290 | 276.5 | 305 | 274 | 270 |
*Bolts will fit on DN80 ANSI 150. Bolt hole size is 19mm and bolt size is 16mm
Item | Part | Material | QTY |
---|---|---|---|
1 | Body | CF8M | 1 |
2 | Spring Cover | SS316 | 1 |
3 | Spring | SS316 | 1 |
4 | Disc | CF8M | 1 |