Features:
Torque 255 to 8000 Nm
Body FBE coated Ductile Iron
Reduction 36:1 to 207:1
IP Rating IP67
Fixings 316 Stainless Steel
Shaft 316 Stainless Steel
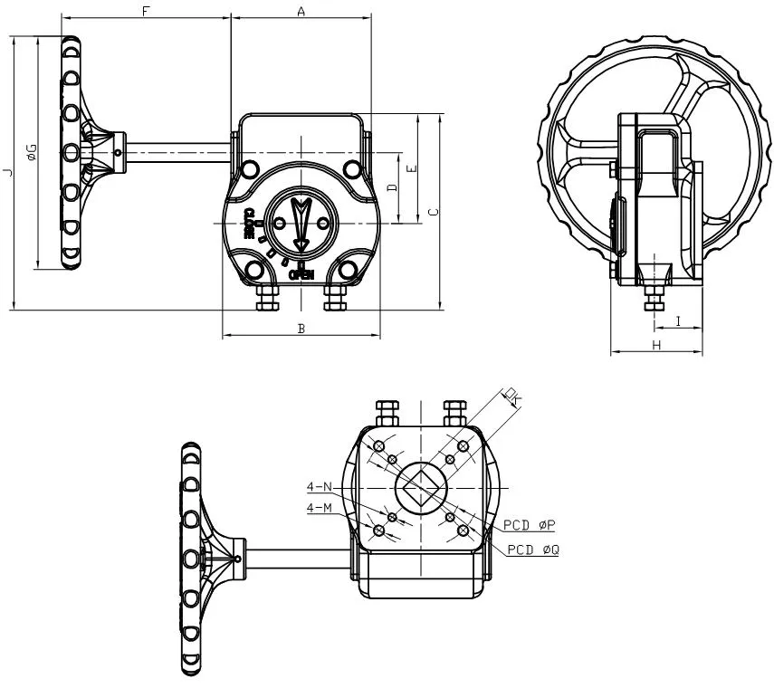
Fusion Bonded Epoxy coated Cast Iron manual gear box with Ductile Iron Chain Drive for manual valve actuation. Standard with visual indicator and adjustable stops. 316 Stainless Steel shaft with shaft seal and gasket oring ensuring a weatherproof protection of IP67.

All dimensions in mm unless shown otherwise.
Torque 255 to 8000 Nm
Body FBE coated Ductile Iron
Reduction 36:1 to 207:1
IP Rating IP67
Fixings 316 Stainless Steel
Shaft 316 Stainless Steel
What is a Chain Wheel Drive Valve Gear Box?
A chain wheel drive valve gear box gives a rotational torque driven from a chain drive to turn a valve. In this case we are talking about ¼ turn valves (90 degree turn) such as ball or butterfly valves. The valve can be stopped anywhere in its rotation simply by stopping pulling on the chain.
How does a Chain Wheel Drive Valve Gear Box work?
The chainwheel drive valve gear box works by a chain drive input force turning a shaft which interfaces with a set of gears contained within a sealed case. These gears amplify the torque output and transmit this through a female drive in the bottom of the gear box case. This interfaces with the male drive on the valve turning the valve as the gearbox moves.
How long will my Chain Wheel Drive Gear Box last?
This will depend upon the media and environment the chain wheel drive gearbox is used in but ours are specifically built to a higher standard than most traditional gear boxes. Ours have a 316 Stainless Steel shaft which leads into a fusion bonded epoxy ductile iron body. This has an IP67 weather rating so is ideal for outside use. All fasteners are 316 Stainless Steel to reduce corrosion. Our standard chain is mild steel but you can select your own stainless or galvanized chain as long as the gauge is the same.
How do I install a Chain Wheel Drive Gear Box on a Valve?
The chain wheel drive gear box will need to be interfaced with your valve taking into consideration three primary factories; the torque required to operate the valve, the mounting interface on both the valve and gear box and the drive sizes on the valve and gear box. For the torque it is common practice to take the torque required for the valve and add a 30% margin, this then needs to be matched to find the appropriate gear box. For the mounting interface you will need to check the ISO5211 details on the valve & actuator (eg. FO7 interface etc). If this does not fit or is not available on the valve a bracket and drive will need to be used. For the drive interface the male drive on the valve and the female drive on the gearbox will need to be matched. These quite often are different and a drive sleeve is used to bridge the two. The length of chain required will depend upon the height at which the valve is operating. Remember the chain needs to form a loop so if your mounting height is 2m you will need a 4m length of chain.
What are typical uses of a Chain Wheel Drive Valve Gear Box?
These are used to manually operate quarter turn valves such as ball or butterfly valves where they are mounted at height but need to be operated from ground level.
How long will my Chain Wheel Drive Gear Box take to get to me?
This depends upon where you are based and the freight method chosen. If the express freight option is selected it is usually next day delivery to metropolitan areas in Australia for under 5kg. If free freight has been selected it will go by road freight which can be anywhere from 3 to 10 days depending upon your location. It usually averages 3 days.
What warranty do I get?
All of our products come standard with a 12 month warranty. The good news is we have very strict quality controls and all products leave our warehouse tested and inspected so there are rarely any issues. They also come with full material and testing certificates.
Torque 255 to 8000 Nm
Body FBE coated Ductile Iron
Reduction 36:1 to 207:1
IP Rating IP67
Fixings 316 Stainless Steel
Shaft 316 Stainless Steel
Fusion Bonded Epoxy coated Cast Iron manual gear box with Ductile Iron Chain Drive for manual valve actuation. Standard with visual indicator and adjustable stops. 316 Stainless Steel shaft with shaft seal and gasket oring ensuring a weatherproof protection of IP67.

All dimensions in mm unless shown otherwise.