Features:
Size 1/2" to 2" BSP & Solvent Weld
Body UV stabalised PVC
Seat PTFE
Pressure 10 BAR
Temperature Ambient
Actuation Lever
3 way UV stabilised PVC true union ball valve available in both L port and T port configurations. Comes with PTFE (Teflon) seats and our unique double stem seal system (standard in EPDM but also available in Viton). ). Also features a chem lock insert In the end so the true union can be removed for service work and the ball will not leak when in the closed position. Great PVC ball valve for corrosive or chemical media where traditional material such as brass and stainless steel are not suitable. Commonly used in the aquaculture industry (sea water), chemical dosing, water treatment and pool filtration. Choose between Solvent Weld (ANSI Standard designed to fit Schedule 40 & 80 pipe) and BSP threaded ends (Threads conform to ISO 7.1 Sealing Threads.). Includes ISO mounting kit.
| Model | Size | DN(mm) | Media Pressure | Media Temperature | Torque (Nm) |
|---|---|---|---|---|---|
| BLP3L4B-L-E | 1/2 | 15 | -1 to 10 Bar | Ambient | 3 |
| BLP3L5B-L-E | 3/4 | 20 | -1 to 10 Bar | Ambient | 5 |
| BLP3L6B-L-E | 1 | 25 | -1 to 10 Bar | Ambient | 6 |
| BLP3L7B-L-E | 1 ¼ | 32 | -1 to 10 Bar | Ambient | 6 |
| BLP3L8B-L-E | 1 ½ | 40 | -1 to 10 Bar | Ambient | 14 |
| BLP3L9B-L-E | 2 | 50 | -1 to 10 Bar | Ambient | 23 |
Change the 'B' to an 'S' for solvent weld. Change the 'L" to a 'T' for T port. Change the 'E' to 'V' for FKM.
| L Port | T Port |
|---|---|
![]() |
![]() |
.webp)
| Model | A | B | C | D | E | W | L | L1 |
|---|---|---|---|---|---|---|---|---|
| BLP3L4B-L-E | 14 | 55 | 30 | 14 | 23 | 53 | 138 | 83 |
| BLP3L5B-L-E | 14 | 65 | 38 | 20 | 25 | 69 | 173 | 110 |
| BLP3L6B-L-E | 14 | 68 | 48 | 25 | 28 | 82 | 200 | 130 |
| BLP3L7B-L-E | 14 | 68 | 48 | 25 | 32 | 82 | 208 | 130 |
| BLP3L8B-L-E | 14 | 92 | 65 | 38 | 35 | 117 | 240 | 154 |
| BLP3L9B-L-E | 14 | 92 | 65 | 38 | 38 | 117 | 249 | 154 |
Top View/Pad Mount
| Model | N-M | F | E |
|---|---|---|---|
| BLP3L4B-L-E | 4-M5 | F03 | 11x11 |
| BLP3L5B-L-E | 4-M5 | F03 | 11x11 |
| BLP3L6B-L-E | 4-M5 | F03 | 11x11 |
| BLP3L7B-L-E | 4-M5 | F03 | 11x11 |
| BLP3L8B-L-E | 4-8 | F07 | 11x11 |
| BLP3L9B-L-E | 4-8 | F07 | 11x11 |
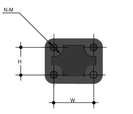
Underside Fixing
.webp)
| Model | N-M | H | W |
|---|---|---|---|
| BLP3L4B-L-E | 4-M6 | 18 | 26 |
| BLP3L5B-L-E | 4-M6 | 18 | 26 |
| BLP3L6B-L-E | 4-M6 | 24 | 36 |
| BLP3L7B-L-E | 4-M6 | 24 | 36 |
| BLP3L8B-L-E | 4-M8 | 30 | 50 |
| BLP3L9B-L-E | 4-M8 | 30 | 50 |
All dimensions in mm unless shown otherwise.
Size 1/2" to 2" BSP & Solvent Weld
Body UV stabalised PVC
Seat PTFE
Pressure 10 BAR
Temperature Ambient
Actuation Lever
What is a 3 Way UPVC Ball Valve?
A three way UV stabalised PVC ball valve operates on the same principal as a two way ball valve but instead of a complete isolation or complete open (2 states, closed or open) it will have one line open and one line closed. Also during its 90 degree turn from one line to another there is a point where all lines are partially open to each other even though this is for a short period of time (depends upon how fast you actuate the valve). The valve can either be a T port or L port design and has teflon (PTFE seats) with either EPDM or FKM seats. The end connections can either be threaded or solvent weld. The valve includes a kit for mounting actuators.
How does a 3 Way PVC Ball Valve work?
The 3 way valve will work by rotating 90 degrees. This will be in a clockwise or anticlockwise direction depending upon whether it is actuated (electrically, pneumatically) or manual. In the above state where it is operated by a lever you will move the handle until it reaches the stop pin. This means you cant turn it any further as it only needs a 90 degree rotation to switch from one line to the other.
How long will my 3 Way PVC Ball Valve last?
This depends upon the usage case of your valve, its environment, media and how many times it is cycled. For instance if it is on a clean media, in a clean environment and not cycled regularly the life will be decades. If it is on a corrosive media and in a dry application with a high cycle rate the life will be much shorter.
How do I install a 3 Way PVC Ball Valve?
Before installation the line should be isolated and pressure removed. The ball valve can then be installed, in this case it will either be threaded or solvent weld (or a mixture of both). Once the desired ends are connected the line can then be brought back up to pressure and the installation checked for function.
What are typical uses of a Three Way PVC Ball Valve?
These three way PVC ball valves are mainly used in water treatment and chemical dosing applications due to thier corrosion resistance. In saying that they can be used in any application where the media, temperature and pressure are compatible.
How long will my product take to get to me?
This depends upon where you are based and the freight method chosen. If the express freight option is selected it is usually next day delivery to metropolitan areas in Australia for under 5kg. If free freight has been selected it will go by road freight which can be anywhere from 1 to 10 days depending upon your location. It usually averages 3 days.
What warranty do I get?
All of our products come standard with a 12 month warranty. The good news is we have very strict quality controls and all valves leave our warehouse tested (full material and testing certificates to API598 are available) and inspected so there are rarely any issues. Also once your valve is in and operating it will most likely continue to do so for a very long time.
Size 1/2" to 2" BSP & Solvent Weld
Body UV stabalised PVC
Seat PTFE
Pressure 10 BAR
Temperature Ambient
Actuation Lever
3 way UV stabilised PVC true union ball valve available in both L port and T port configurations. Comes with PTFE (Teflon) seats and our unique double stem seal system (standard in EPDM but also available in Viton). ). Also features a chem lock insert In the end so the true union can be removed for service work and the ball will not leak when in the closed position. Great PVC ball valve for corrosive or chemical media where traditional material such as brass and stainless steel are not suitable. Commonly used in the aquaculture industry (sea water), chemical dosing, water treatment and pool filtration. Choose between Solvent Weld (ANSI Standard designed to fit Schedule 40 & 80 pipe) and BSP threaded ends (Threads conform to ISO 7.1 Sealing Threads.). Includes ISO mounting kit.
| Model | Size | DN(mm) | Media Pressure | Media Temperature | Torque (Nm) |
|---|---|---|---|---|---|
| BLP3L4B-L-E | 1/2 | 15 | -1 to 10 Bar | Ambient | 3 |
| BLP3L5B-L-E | 3/4 | 20 | -1 to 10 Bar | Ambient | 5 |
| BLP3L6B-L-E | 1 | 25 | -1 to 10 Bar | Ambient | 6 |
| BLP3L7B-L-E | 1 ¼ | 32 | -1 to 10 Bar | Ambient | 6 |
| BLP3L8B-L-E | 1 ½ | 40 | -1 to 10 Bar | Ambient | 14 |
| BLP3L9B-L-E | 2 | 50 | -1 to 10 Bar | Ambient | 23 |
Change the 'B' to an 'S' for solvent weld. Change the 'L" to a 'T' for T port. Change the 'E' to 'V' for FKM.
| L Port | T Port |
|---|---|
![]() |
![]() |
.webp)
| Model | A | B | C | D | E | W | L | L1 |
|---|---|---|---|---|---|---|---|---|
| BLP3L4B-L-E | 14 | 55 | 30 | 14 | 23 | 53 | 138 | 83 |
| BLP3L5B-L-E | 14 | 65 | 38 | 20 | 25 | 69 | 173 | 110 |
| BLP3L6B-L-E | 14 | 68 | 48 | 25 | 28 | 82 | 200 | 130 |
| BLP3L7B-L-E | 14 | 68 | 48 | 25 | 32 | 82 | 208 | 130 |
| BLP3L8B-L-E | 14 | 92 | 65 | 38 | 35 | 117 | 240 | 154 |
| BLP3L9B-L-E | 14 | 92 | 65 | 38 | 38 | 117 | 249 | 154 |
Top View/Pad Mount
| Model | N-M | F | E |
|---|---|---|---|
| BLP3L4B-L-E | 4-M5 | F03 | 11x11 |
| BLP3L5B-L-E | 4-M5 | F03 | 11x11 |
| BLP3L6B-L-E | 4-M5 | F03 | 11x11 |
| BLP3L7B-L-E | 4-M5 | F03 | 11x11 |
| BLP3L8B-L-E | 4-8 | F07 | 11x11 |
| BLP3L9B-L-E | 4-8 | F07 | 11x11 |
Underside Fixing
.webp)
| Model | N-M | H | W |
|---|---|---|---|
| BLP3L4B-L-E | 4-M6 | 18 | 26 |
| BLP3L5B-L-E | 4-M6 | 18 | 26 |
| BLP3L6B-L-E | 4-M6 | 24 | 36 |
| BLP3L7B-L-E | 4-M6 | 24 | 36 |
| BLP3L8B-L-E | 4-M8 | 30 | 50 |
| BLP3L9B-L-E | 4-M8 | 30 | 50 |
All dimensions in mm unless shown otherwise.