Features:
Size 50mm to 300mm
Body Carbon Steel
Mesh 304 Stainless Steel
Pressure Range 0 to 26 BAR
Flanged ANSI 150
Factory Accredited CE, ISO 9001, TUV, WRAS
Carbon Steel ANSI 150 Flanged Y Strainer with 304 stainless steel screen and fasteners. -20°C to 260°C temperature range.304 Stainless Steel and Graphite gasket allows for a wide range of media and temperatures. Typical applications include steam, water, brine and chemical. Designed to ASME B16.34, RF FLanged Ends to ASME B16.5, tested to API598.

| DN | L | NPT | D | D1 | D2 | b | f | z-d |
|---|---|---|---|---|---|---|---|---|
| 50 | 203 | 1/2 | 150 | 120.7 | 92.1 | 16.3 | 2 | 4-19 |
| 65 | 216 | 1/2 | 180 | 139.7 | 104.8 | 17.9 | 2 | 4-19 |
| 80 | 241 | 1/2 | 190 | 152.4 | 127 | 19.5 | 2 | 4-19 |
| 100 | 292 | 1/2 | 230 | 190.5 | 157.2 | 24.3 | 2 | 8-19 |
| 150 | 406 | 3/4 | 280 | 241.3 | 215.9 | 25.9 | 2 | 8-22 |
| 200 | 495 | 3/4 | 345 | 298.5 | 269.9 | 29 | 2 | 8-22 |
| 250 | 622 | 1 | 405 | 362 | 323.8 | 30.6 | 2 | 12-26 |
| 300 | 699 | 1 | 485 | 431.8 | 381 | 32.2 | 2 | 12-26 |
Dimensions in mm unless shown otherwise.

| Number | Part Name | Material |
|---|---|---|
| 1 | Bonnet Bolt Nut | ASTM A194 Gr.2H |
| 2 | Bonnet Bolt | ASTM A193 Gr.B7 |
| 3 | Bonnet | ASTM A216-WCB |
| 4 | Plug Fitting | Carbon Steel |
| 5 | Gasket | Flexible Graphite/304 |
| 6 | Filter Screen | SS304 |
| 7 | Body | ASTM A216-WCB |
Size 50mm to 300mm
Body Carbon Steel
Mesh 304 Stainless Steel
Pressure Range 0 to 26 BAR
Flanged ANSI 150
Factory Accredited CE, ISO 9001, TUV, WRAS
What is a Flanged Carbon Steel Y Strainer?
A Flanged WCB Y Strainer is a strainer that is made out of a Carbon Steel Housing which contains a 304 Stainless Steel strainer element within it that sits on a 60 degree angle. This stems the nickname (trade name) as it forms a Y in the shape of the unit. The entry and exit are an ANSI 150 Flange and the strainer element can be accessed while the unit is inline by removing the bolts on the bottom of the Y. This cap utilises a flexible graphite mixed with stainless steel ring to form a seal between the cap and body. These Strainers are used inline to protect downstream equipment from suspended solids or debris of a size that the strainer element will catch.
How does a Flanged WCB Y Strainer work?
The media enters the strainer and is then carried to the filter element inside the strainer. The exit is on the other side of the strainer element so it will flow through the strainer element while any particle will be caught in the strainer element as it cant fit through the holes. These are a very simple device as they have no moving parts and very valuable to all process lines as it offers a form of protection, quite often the first layer of defence. It is standard practice to use a strainer upstream in all process lines.
How do I maintain a Flanged Carbon Steel Y Strainer?
Really the only maintenance that is required on a Y Strainer is to clean the element. How regularly this occurs depends upon how dirty the media is. There are some indicators that the element needs to be clean usually by a bigger than normal drop of pressure or a decrease in velocity of the media downstream from the strainer. For maintenance the line must first be isolated and pressure removed from it. To clean the element the bolts on the bottom of the Y Strainer needs to be removed. This will then allow the element to be removed from the strainer and cleaned. It can then be reinstalled and pressure returned to the line.
How do I install a WCB Steel Flanged Y Strainer?
There are really only two steps to follow to ensure a good installation of these flanged Y strainers. The first and most important is to ensure the direction of flow is followed. This is indicated by an arrow on the side of the housing. The next is not essential but it is best to have the bottom of the Y strainer facing down. This is so any dirt or debris collected will sit at the bottom of the strainer element and will be very easy to remove when the bung is opened. There are some exceptions to this in media such as steam where it is common to have the Y strainer sit on its side. It is best to install some sort of isolation valve before the strainer so the line can be isolated while maintenance occurs on the strainer. In this size a wafer or lugged butterfly valve are the most popular choices.
How long will my Flanged WCB Y Strainer Last?
These will last for a very long time as they are made from Carbon Steel and are very durable. The actual length of time will depend upon the media compatibility and how clean it is. Also the external environment will have some influence on the unit's lifetime.
What are typical uses of a Flanged Carbon Steel Y Strainer?
As these Strainers are made of Carbon Steel and have a large temperature and pressure range they are used in a very wide range of applications. This can include chemical, steam, and any other compatible media.
How long will my product take to get to me?
This depends upon where you are based and the freight method chosen. If the express freight option is selected it is usually next day delivery to metropolitan areas in Australia for under 5kg. If free freight has been selected it will go by road freight which can be anywhere from 1 to 10 days depending upon your location. It usually averages 3 days.
What warranty do I get?
All of our products come standard with a 12 month warranty. The good news is we have very strict quality controls and all Strainers leave our warehouse tested and inspected so there are rarely any issues. Also once your Strainer is in and operating it will most likely continue to do so for a very long time barring any external factors and it is kept clean.
Size 50mm to 300mm
Body Carbon Steel
Mesh 304 Stainless Steel
Pressure Range 0 to 26 BAR
Flanged ANSI 150
Factory Accredited CE, ISO 9001, TUV, WRAS
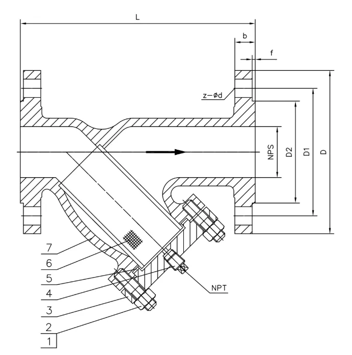
Carbon Steel ANSI 150 Flanged Y Strainer with 304 stainless steel screen and fasteners. -20°C to 260°C temperature range.304 Stainless Steel and Graphite gasket allows for a wide range of media and temperatures. Typical applications include steam, water, brine and chemical. Designed to ASME B16.34, RF FLanged Ends to ASME B16.5, tested to API598.

| DN | L | NPT | D | D1 | D2 | b | f | z-d |
|---|---|---|---|---|---|---|---|---|
| 50 | 203 | 1/2 | 150 | 120.7 | 92.1 | 16.3 | 2 | 4-19 |
| 65 | 216 | 1/2 | 180 | 139.7 | 104.8 | 17.9 | 2 | 4-19 |
| 80 | 241 | 1/2 | 190 | 152.4 | 127 | 19.5 | 2 | 4-19 |
| 100 | 292 | 1/2 | 230 | 190.5 | 157.2 | 24.3 | 2 | 8-19 |
| 150 | 406 | 3/4 | 280 | 241.3 | 215.9 | 25.9 | 2 | 8-22 |
| 200 | 495 | 3/4 | 345 | 298.5 | 269.9 | 29 | 2 | 8-22 |
| 250 | 622 | 1 | 405 | 362 | 323.8 | 30.6 | 2 | 12-26 |
| 300 | 699 | 1 | 485 | 431.8 | 381 | 32.2 | 2 | 12-26 |
Dimensions in mm unless shown otherwise.

| Number | Part Name | Material |
|---|---|---|
| 1 | Bonnet Bolt Nut | ASTM A194 Gr.2H |
| 2 | Bonnet Bolt | ASTM A193 Gr.B7 |
| 3 | Bonnet | ASTM A216-WCB |
| 4 | Plug Fitting | Carbon Steel |
| 5 | Gasket | Flexible Graphite/304 |
| 6 | Filter Screen | SS304 |
| 7 | Body | ASTM A216-WCB |