Features:
Size 1/4" BSP only
Function Normally Closed (power to open)
Valve Operation Direct Acting
Body Forged Brass
Seat PTFE or FKM
Pressure Range 0 to 150 BAR
Media Petrochemical
A high pressure direct acting two way valve in 1/4" only. Forged brass body with teflon or viton seats depending upon the orrifice size. Standard as DIN plug coil but can be supplied with Flying Leads coil upon request. Great for applications where a high pressure media is present such as hydraulics, blow moulding or other industrial uses. Threads conform to ISO 7.1 Sealing Threads.
*Voltages available; 12vDC, 24vDC, 24vAC, 110vAC, 240vAC, 415vAC
For Installation and Maintenance instructions please click here or find in our References section under Valve Installation and Maintenance for Solenoid Valves.
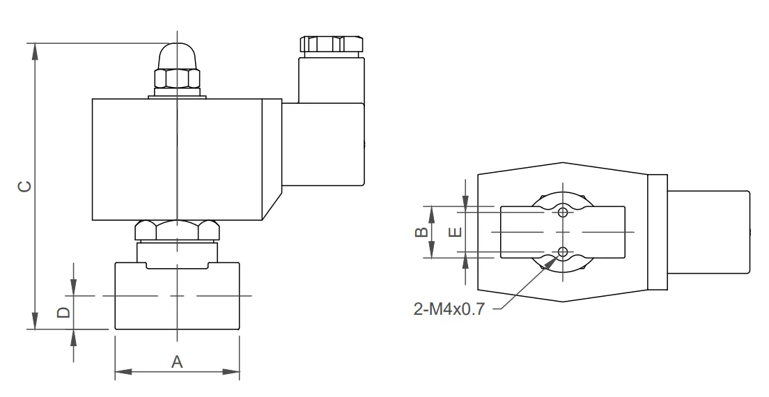
Model | A | B | C | D | E |
---|---|---|---|---|---|
B55H-2-1.2-*T | 41 | 19 | 88 | 10.5 | 15 |
B55H-2-1.6-*T | 41 | 19 | 88 | 10.5 | 15 |
B55H-2-2-*T | 41 | 19 | 88 | 10.5 | 15 |
B55H-2-3-*T | 41 | 19 | 88 | 10.5 | 15 |
B55H-2-4-*T | 41 | 19 | 88 | 10.5 | 15 |
B55H-2-5-*T | 41 | 19 | 88 | 10.5 | 15 |
All dimensions in mm unless shown otherwise.
Item | Article | Material |
---|---|---|
1 | Valve Body | Forged Brass |
2 | Armature | Stainless Steel with Teflon (T) or Viton (V) Seats |
3 | Spring | Stainless Steel |
4 | O Ring | Viton |
5 | Solenoid Tube | Stainless Steel |
6 | Coil Spacer Plate | 304 Stainless Steel |
7 | Hardware | 304 Stainless Steel |
Size 1/4" BSP only
Function Normally Closed (power to open)
Valve Operation Direct Acting
Body Forged Brass
Seat PTFE or FKM
Pressure Range 0 to 150 BAR
Media Petrochemical
Size 1/4" BSP only
Function Normally Closed (power to open)
Valve Operation Direct Acting
Body Forged Brass
Seat PTFE or FKM
Pressure Range 0 to 150 BAR
Media Petrochemical
A high pressure direct acting two way valve in 1/4" only. Forged brass body with teflon or viton seats depending upon the orrifice size. Standard as DIN plug coil but can be supplied with Flying Leads coil upon request. Great for applications where a high pressure media is present such as hydraulics, blow moulding or other industrial uses. Threads conform to ISO 7.1 Sealing Threads.
*Voltages available; 12vDC, 24vDC, 24vAC, 110vAC, 240vAC, 415vAC
For Installation and Maintenance instructions please click here or find in our References section under Valve Installation and Maintenance for Solenoid Valves.
Model | A | B | C | D | E |
---|---|---|---|---|---|
B55H-2-1.2-*T | 41 | 19 | 88 | 10.5 | 15 |
B55H-2-1.6-*T | 41 | 19 | 88 | 10.5 | 15 |
B55H-2-2-*T | 41 | 19 | 88 | 10.5 | 15 |
B55H-2-3-*T | 41 | 19 | 88 | 10.5 | 15 |
B55H-2-4-*T | 41 | 19 | 88 | 10.5 | 15 |
B55H-2-5-*T | 41 | 19 | 88 | 10.5 | 15 |
All dimensions in mm unless shown otherwise.
Item | Article | Material |
---|---|---|
1 | Valve Body | Forged Brass |
2 | Armature | Stainless Steel with Teflon (T) or Viton (V) Seats |
3 | Spring | Stainless Steel |
4 | O Ring | Viton |
5 | Solenoid Tube | Stainless Steel |
6 | Coil Spacer Plate | 304 Stainless Steel |
7 | Hardware | 304 Stainless Steel |