Features:
Size 1/4" to 2" BSP
Function Air Regulator - Relieving
Body Die Cast Aluminium
Pressure Range 0.5 to 8.5 BAR
Media Air
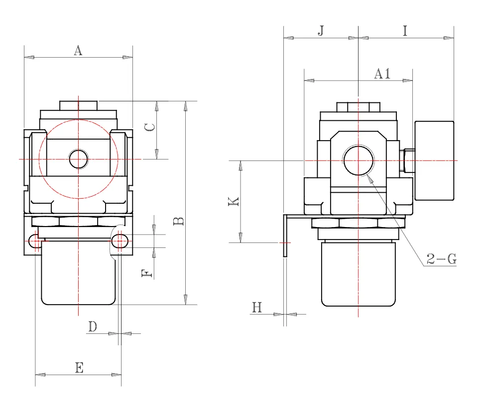
This air regulator operates in air line to regulate the downstream air pressure. If the downstream air pressure becomes to high it will relieve to atmosphere to balance the pressure back to the set point. Available from 1/4" to 2" BSP and comes with gauge & bracket. Commonly used in almost all domestic and industrial air lines as it ensures a constant pressure to air tools and systems. Please note the 1-1/2" & 2" models have T bar handles.
Model | A | A1 | B | C | D | E | F | G | H | I | J | K | P |
---|---|---|---|---|---|---|---|---|---|---|---|---|---|
REG-02 | 40 | 40 | 82 | 17 | 9.6 | 43.1 | 5.4 | 1/4" | 2 | 54 | 31.5 | 43 | 33.5 |
REG-03 | 53 | 53 | 116 | 35 | 1.5 | 41.5 | 6.5 | 3/8" | 2 | 57 | 48.75 | 45 | 42.5 |
REG-04 | 70 | 70 | 131.5 | 37.5 | 2 | 55.5 | 8.5 | 1/2" | 2 | 61.5 | 48.25 | 53 | 52.5 |
REG-05 | 75 | 70 | 135.5 | 37.5 | 2 | 55.5 | 8.5 | 3/4" | 2 | 64.5 | 48.25 | 57 | 52.5 |
REG-06 | 90 | 90 | 152 | 49 | 2 | 55.5 | 8.5 | 1" | 2 | 73 | 48.25 | 62 | 52.5 |
Model | A | B | C | D | E | F | G |
---|---|---|---|---|---|---|---|
REG-08 | 260 | 95 | 108 | 82 | 120 | 1/4" | 1-1/2" |
REG-09 | 260 | 95 | 108 | 82 | 120 | 1/4" | 2" |
Size 1/4" to 2" BSP
Function Air Regulator - Relieving
Body Die Cast Aluminium
Pressure Range 0.5 to 8.5 BAR
Media Air
What is an Air Regulator?
A Regulator is used in compressed air systems to regulate the downstream airline pressure. The Air Pressure Regulator function is to give a constant supply pressure. The units are sold as an assembly with mounting brackets and a gauge to read the set pressure.
How does a Compressed Air Regulator work?
Air enters the adjustable regulator and sets the required system pressure as shown by the external gauge. By rotating by hand the pressure adjustment knob on the top you can increase or decrease the downstream outlet pressure. A pressure gauge mounted on the side of the regulator body shows the outlet pressure as set by the hand knob. Internally spring force controlling a diaphragm gives the output pressure. An internal pilot relief will vent the downstream pressure when the system is wound back. As demand fluctuates the pressure output is compensated internally by the balanced diaphragm/spring assembly.
How do I size a Regulator?
The units are sized according to their port sizes (¼” - 1” Bsp). The usual method is to match the port size of the pipe that is feeding the equipment i.e. ½” tube supply will be a ½” Bsp air regulator. The other method is to work out the required flow rate for the equipment to be serviced with the rating of the regulator plus a 30% safety factor. Pressure range is 0.5-8.5 Bar and working temperature to 60 degrees celsius.
How long will my Compressed Air Regulator Last?
By providing a pre-filter to control any upstream pipe scale, contamination or moisture, with few moving parts and scheduled maintenance these units will last decades.
How do I install an Air Regulator?
The unit can be mounted in any orientation as long as the direction of flow is correct (this is shown on the body of the unit). The gauge would have to be positioned to be able to read the scale. Mounting brackets hold the assembly at either end and can be mounted onto any convenient structure.
What are typical uses of a Compressed Air Regulator?
The Air Pressure Regulator is used in compressed air systems to regulate the pressure to pneumatic control valves, actuators, pneumatic tools, and HVAC systems. The Air Pressure Regulator gives a constant supply pressure which allows consistent output from the operation. Also by controlling the air pressure energy can be saved. If no regulator is used then the system pressure will fluctuate as the compressor comes and goes off load using excess energy and demand.
How long will my product take to get to me?
This depends upon where you are based and the freight method chosen. If the express freight option is selected it is usually next day delivery to metropolitan areas in Australia for under 5kg. If free freight has been selected it will go by road freight which can be anywhere from 1 to 10 days depending upon your location. It usually averages 3 days.
What warranty do I get?
All of our products come standard with a 12 month warranty. The good news is we have very strict quality controls and all Regulators leave our warehouse tested and inspected so there are rarely any issues. Also once your Regulator is in and operating it will most likely continue to do so for a very long time barring any external factors.
Size 1/4" to 2" BSP
Function Air Regulator - Relieving
Body Die Cast Aluminium
Pressure Range 0.5 to 8.5 BAR
Media Air
This air regulator operates in air line to regulate the downstream air pressure. If the downstream air pressure becomes to high it will relieve to atmosphere to balance the pressure back to the set point. Available from 1/4" to 2" BSP and comes with gauge & bracket. Commonly used in almost all domestic and industrial air lines as it ensures a constant pressure to air tools and systems. Please note the 1-1/2" & 2" models have T bar handles.
Model | A | A1 | B | C | D | E | F | G | H | I | J | K | P |
---|---|---|---|---|---|---|---|---|---|---|---|---|---|
REG-02 | 40 | 40 | 82 | 17 | 9.6 | 43.1 | 5.4 | 1/4" | 2 | 54 | 31.5 | 43 | 33.5 |
REG-03 | 53 | 53 | 116 | 35 | 1.5 | 41.5 | 6.5 | 3/8" | 2 | 57 | 48.75 | 45 | 42.5 |
REG-04 | 70 | 70 | 131.5 | 37.5 | 2 | 55.5 | 8.5 | 1/2" | 2 | 61.5 | 48.25 | 53 | 52.5 |
REG-05 | 75 | 70 | 135.5 | 37.5 | 2 | 55.5 | 8.5 | 3/4" | 2 | 64.5 | 48.25 | 57 | 52.5 |
REG-06 | 90 | 90 | 152 | 49 | 2 | 55.5 | 8.5 | 1" | 2 | 73 | 48.25 | 62 | 52.5 |
Model | A | B | C | D | E | F | G |
---|---|---|---|---|---|---|---|
REG-08 | 260 | 95 | 108 | 82 | 120 | 1/4" | 1-1/2" |
REG-09 | 260 | 95 | 108 | 82 | 120 | 1/4" | 2" |